青州市联谊液压元件厂

诚信第一,品质第一,服务第一

电话: +8613696367770         陈总 +8613696367770   E-mail: 2830489567@qq.com

取力器
青州市联谊液压元件厂

产品分类

PRODUCTS LIST

产品展示

PRODUCTS

汽车配件

零售价
0.0
市场价
0.0
产品编号
数量
-
+
库存:
0
1
产品详细
参数

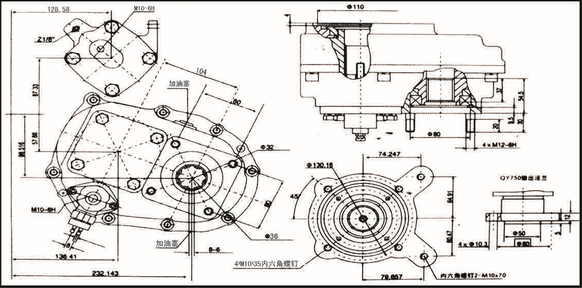
QH750取力器

主要适用车型 自卸车、散装物料运输车、散装水泥车等重载车辆。

外形尺寸:

2  外形尺寸图.png

性能参数:

2 性能参数图.png

显示
扫二维码用手机看
未找到相应参数组,请于后台属性模板中添加
2018-04-03 09:10
上一个
下一个

产品推荐

新闻中心

公司新闻

 

 

期待为您服务

电话: +8613696367770   

手机: +8613696367770   陈总

传真:
E-MAIL:2830489567@qq.com

Copyright © lianyiyeya All Rights Reserved. .       

/ EN